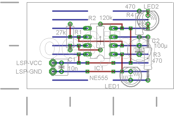
Die Berechnungen sind einfach und kurz. Der IC Technik sei Dank.
T = 0,69 * R * C
R = T /(0,69 * C)
C = 100µ
T1 = 2s
T2a = 6s
T2b = 56s
T2c = 296s
R1 = 27k
R2a = 100k
R2b = 820k
R2c = 4.7M
Der Steckbrettaufbau sieht auch nicht sehr spektakulär aus.
Bild hier
Hauptsache: funktioniert.






Zitieren

Lesezeichen