- LiFePO4 Speicher Test    Werbung      
Seite 1 von 2 12 LetzteLetzte
Ergebnis 1 bis 10 von 14

Thema: Messgleichrichter

  1. #1
    Benutzer Stammmitglied
    Registriert seit
    07.10.2004
    Beiträge
    57

    Messgleichrichter

    Anzeige

    LiFePo4 Akku selber bauen - Video
    Ich Suche eine möglichst kleine Messgleichrichter-Schaltung.
    Kann mir da jemand weiterhelfen?

  2. #2
    Super-Moderator Lebende Robotik Legende Avatar von Manf
    Registriert seit
    30.01.2004
    Ort
    München
    Alter
    73
    Beiträge
    13.185
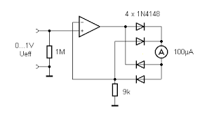
    Ich habe versucht sie weiter zu verkleinern, aber dann war nichts mehr zu erkennen.
    Manfred





  3. #3
    Erfahrener Benutzer Fleißiges Mitglied
    Registriert seit
    08.12.2004
    Ort
    Amtsberg
    Beiträge
    121
    Ich vermute einmal fuer Wechselspannung im NF-Bereich .... http://www.elexs.de/messen5.html oder http://www.flr.at/schule/labor/4-14-ww0.shtml oder ...
    und die allgemeine Theorie der Signalform nicht vergessend.


    Heinz

  4. #4
    Benutzer Stammmitglied
    Registriert seit
    07.10.2004
    Beiträge
    57
    Eigentlich sollte der Gleichrichter auch noch im kHz-Berreich arbeiten.
    (Ich möchte damit ein multifunktionales USB-Messgerät bauen + Osziloskop-Funktion.)
    Einer der bei 50kHz auch noch eine passable Kurve ausgibt, wäre also nicht schlecht.

  5. #5
    Super-Moderator Lebende Robotik Legende Avatar von Manf
    Registriert seit
    30.01.2004
    Ort
    München
    Alter
    73
    Beiträge
    13.185
    Das ist auch ein Meßgleichrichter, der bis zu hohen Frequenzen arbeitet.

    TASTKOPF-DEMODULATOR DE112
    Artikel-Nr.: 107190 - 62

    Typ DE 112
    Besonderheit HF-Demodulator
    Bandbreite (MHz) 0,1..950 (±3dB)
    Anstiegszeit (ns) -
    Eing.-Kapazität (pF) ca.5
    Eing.Widerst.(MΩ) -
    Max.Eingangsspg.(Vp) 50 AC/200 DC
    Typbezeichnung Hameg HZ 38
    Ansprechspg. (mV) 250


  6. #6
    Erfahrener Benutzer Fleißiges Mitglied
    Registriert seit
    08.12.2004
    Ort
    Amtsberg
    Beiträge
    121
    Gehe ich richtig in der Annahme, dass Du ohnehin einen A/D-Wandler
    hast, der Dir die gesampelten Spannungswerte in Richtung PC schickt ?
    Da kommst Du besser, wenn Du den A/D-Wandler mit einem Tiefpass
    begrenzt und die Daten mit der maximalen Geschwindigkeit zum PC
    sendest. Dieser kann dann die Werte nach allen Regeln der Kunst (Spitzenwert, Mittelwert, eff.-Wert, Tastverhlaeltnisse ... ) aufbereiten.

    Heinz

  7. #7
    Benutzer Stammmitglied
    Registriert seit
    07.10.2004
    Beiträge
    57
    Die Sache mit dem Tiefpass würde bei Sinus, Rechteck, etc. natürlich funktioniern... mhhh...
    Aber wenn ich eine unregelmäßige Kurve habe wirds schwierig.

    Ansonsten klingt der Tastkopf recht interessant.
    Ich kann leider kein ausführliches Datenblatt darüber finden.
    Wie genau schaut es mit den Anschlüssen dabei aus?
    Ich vermute mal, dass es eine Masseleitung und jeweils zwei Leitungen für die "negative" und die "positive" Halbwelle hat. Liege ich da richtig?

  8. #8
    Super-Moderator Lebende Robotik Legende Avatar von Manf
    Registriert seit
    30.01.2004
    Ort
    München
    Alter
    73
    Beiträge
    13.185
    Hier ist eine Kurzbeschreibung, die Artikelnummer ist von Conrad, der Tastkofname klingt wie ein Hameg.
    Er ist für BNC 1MOhm 30pF vorgesehen und ist ein Einweggleichrichter.
    Manfred

    http://www.produktinfo.conrad.com/da...-112_de-en.pdf

  9. #9
    Benutzer Stammmitglied
    Registriert seit
    07.10.2004
    Beiträge
    57
    Mit einem Einweggleichrichter kann ich nichts anfangen, weil ich die negative Halbwelle ja auch für die Auswertung brauche.
    Gibt es auch Tastköpfe mit einer Vollweggleichrichtung?

  10. #10
    Super-Moderator Lebende Robotik Legende Avatar von Manf
    Registriert seit
    30.01.2004
    Ort
    München
    Alter
    73
    Beiträge
    13.185
    Ich denke es wird erst einmal auf eine Entscheidung zwischen aktiv und passiv ankommen.

    Passiv kommt man leicht bis ein paar hundert MHz aber unter 250mV wird es schwierig. (Auch mit Spitze- Spitze Messung oder Spannungsverdoppler)

    Aktiv bis ein paar kHz kommt man leicht auch an mV Signale heran mit einer Signalform-Absolutwertbildung.

    Es gibt dann noch die relativ einfachen Transistor (früher Röhren) Voltmeter die ca. bis 100kHz-1MHz sinusförmige Spannungen messen.

    Aufwändiger wird es dann mit Digital-Oszilloskopen, die 60MHz oder je nach Aufwand auch 12GHz erreichen. ...

    Manfred

Seite 1 von 2 12 LetzteLetzte

Berechtigungen

  • Neue Themen erstellen: Nein
  • Themen beantworten: Nein
  • Anhänge hochladen: Nein
  • Beiträge bearbeiten: Nein
  •  

    Werbung      Labornetzteil AliExpress